форум фотографов - разговоры о фото

Форум фотографов в Беларуси: forum.znyata.com
Смотрите также основной портал фотографов: znyata.com

 




Автор Сообщение
Сообщение  Автономные источники питания для студийных вспышек.
 
[Не в сети] Модератор

Аватара пользователя

Сообщения: 1171
Откуда: Minsk
Камера: Sony 828, Canon 450D

Профиль

Иногда возникает соблазн, при выездных фотосессиях запитывать студийный свет от автономных источников сторонних производителей (читай, из подручных девайсов собранный). В качестве таких источников пытаются применять компьютерные ИБП и автомобильные инверторы… Про генераторы на ДВС пока ничего не скажу (напишу)
Кому-то везёт, кому-то нет, и тогда приходится нести вспышку в ремонт…


Суть проблемы кроется в форме сигнала выдаваемыми электронными преобразователями. То как его форма, отличается от того, что у нас дома в розетках 220В.

В розетке переменное напряжение 220В с частотой 50 Гц, форма сигнала – СИНУСОИДА!!!
А вот в простых ИБП и инверторах, не чистая синусоида, а её аппроксимация
Есть ИБП и инверторы с СИНУСОИДОЙ, но стоят они 3-5 раза дороже, своих более дешёвых собратьев и весят тяжелее(хотя может быть по поводу веса ошибаюсь), при одинаковой выходной мощности.

Итак, практическое резюме…
Вспышкам которые могут работать от батареи в 300В(подразумевается, что и от сети 220В 50Гц, они то же работают) постоянного тока («Молния», были такие в советские времена), по барабану какой формы питающее напряжение. Поэтому всякие ФИЛы 107, 41, Саулите, Электроники можно смело подключать к автомобильным инверторам и ИБП

Есть и некоторые «китайцы» студийные которым, без разницы форма питающего напряжения.
Про пилот, что его желательно не включать при автономном питании, наверное все понимают? Ибо большая ПОСТОЯННАЯ нагрузка будет питающие цепи преобразователя и АКБ

В данной ветке буду выкладывать информацию (основываясь на схемотехнике изделий) по поводу возможности работы КОНРЕТНОГО оборудования с простыми преобразователями

Работают
Практически все (ну или почти все) накамерные советские сетевые вспышки
Студийные
Recam Classic 200/300.....
Falcon Eyes 110 S и подобные ей


Возможны проблемы в работе
Falcon Eyes DE 300B
Bowens Esprit Gemini 500

_________________
Ищу зарплатодателя! Работодателей просьба не беспокоить.


 
 14 ноя, 09 5:13
Сообщение  Автономные источники питания для студийных вспышек.
 
[Не в сети] Местный житель

Аватара пользователя

Сообщения: 582
Откуда: город ангелов...
Камера: 7-я слева

Профиль

какие именно возможно проблемы с Falcon Eyes DE 300B ??

---
на онлайнере продается вот такая штука

Изображение

Портативный блок питания для сетевых вспышек.
Блок - пластиковая коробочка с электронной начинкой.
В нее вставляются 2 элемента питания - 2 плоские батарейки на 4.5 вольта или такие же аккумуляторы (есть в продаже), можно подсоединить и любые другие (в итоге на 9 вольт).
9 вольт с помощью встроенного электронного блока преобразуется в 220 для зарядки сетевой вспышки, что дает фотографу возможность быть не привязанным больше к розетке и носить этот блок даже в кармане. Время заряда от этого блока средней вспышки - около 60 секунд, зависит от свежести и мощности батареек и мощности вспышки. Сколько пыхов - зависит тоже от этого.
----
что думаешь по поводу такой штуки, реально ли сделать что-то такое, но чтобы заряжалось быстрее... размер этой штуки виден на фото...

_________________
Павел Поташников
Почему вы думаете что я плохо вас сфотографирую?... Потому, что я уверен, за ту сумму которую я хочу вам заплатить, вы не сделаете хорошие фотографии!! :)


 
 15 ноя, 09 17:52
Сообщение  Автономные источники питания для студийных вспышек.
 
[Не в сети] Модератор

Аватара пользователя

Сообщения: 1171
Откуда: Minsk
Камера: Sony 828, Canon 450D

Профиль

Гы..эта штука выдаёт ПОСТОЯННОЕ напряжение 300В. Я именно таким преобразуном и питал свой Фил41, когда учился в средней школе..
Фалкон 300-ка точно от неё не будет работать

_________________
Ищу зарплатодателя! Работодателей просьба не беспокоить.


 
 15 ноя, 09 18:24
Сообщение  Автономные источники питания для студийных вспышек.
 
[Не в сети] Местный житель

Сообщения: 229
Откуда: Minsk

Профиль

упонянутые фальконы ( все ) и рекамы будут рабротать если преобразователь 12-220 будет давать на выходе переменное напряжение (надо чтобы было и положительное и отритцательно за период). в случае, если на выходе будет только к примерно поожительное от 0 до 220 в, то есть подозрение что заряжаться будет фалькон 110(150) до максимальной энергии. (тиристор не будет закрываться, потому что через него постоянно ток течь будет.)


на счет преобразователя: можно реально сделать чтобы вспышка заряжалась за 1-3 сек. ( потребляемая мощность 60-200Вт преобразователя.) сделать можно из копьютерного бп.


 
 15 ноя, 09 21:07
Сообщение  Автономные источники питания для студийных вспышек.
 
[Не в сети] Местный житель

Аватара пользователя

Сообщения: 582
Откуда: город ангелов...
Камера: 7-я слева

Профиль

возможно подскажите примерною стоимость мобильного источника питания, чтобы вспышки 150ват хватило хотя бы на 50 пыхов, зарядка именно по скорости была почти как от сети обычной? какого будет размера?.... интересно увидеть разницу в цене самоделки и покупного...

_________________
Павел Поташников
Почему вы думаете что я плохо вас сфотографирую?... Потому, что я уверен, за ту сумму которую я хочу вам заплатить, вы не сделаете хорошие фотографии!! :)


 
 15 ноя, 09 21:19
Сообщение  Автономные источники питания для студийных вспышек.
 
[Не в сети] Местный житель

Сообщения: 229
Откуда: Minsk

Профиль

Strenger писал(а):
возможно подскажите примерною стоимость мобильного источника питания, чтобы вспышки 150ват хватило хотя бы на 50 пыхов, зарядка именно по скорости была почти как от сети обычной? какого будет размера?.... интересно увидеть разницу в цене самоделки и покупного...

в 10-15 тыр думаю я вложусь. но за такие деньги я продавать его не буду 100%.

поищите преобразователь 12-220. стот начиная с 20$ вроде..


 
 15 ноя, 09 21:34
Сообщение  Автономные источники питания для студийных вспышек.
 
[Не в сети] Местный житель

Аватара пользователя

Сообщения: 582
Откуда: город ангелов...
Камера: 7-я слева

Профиль

понятно что для вас он будет стоить одну цену, для покупателей другую... т.к. надо еще учитывать стоимость работы и поиска деталей...

вот и спрашиваю, какая будет конечная стоимость мобильного источника питания, за какую цену Вы или Палыч готовы собрать то, о чем спрашиваю? и какие там будут аккумуляторы (какие надо будет использовать...)

_________________
Павел Поташников
Почему вы думаете что я плохо вас сфотографирую?... Потому, что я уверен, за ту сумму которую я хочу вам заплатить, вы не сделаете хорошие фотографии!! :)


 
 15 ноя, 09 21:39
Сообщение  Автономные источники питания для студийных вспышек.
 
[Не в сети] Местный житель

Сообщения: 229
Откуда: Minsk

Профиль

Strenger писал(а):

вот и спрашиваю, какая будет конечная стоимость мобильного источника питания, за какую цену Вы или Палыч готовы собрать то, о чем спрашиваю? и какие там будут аккумуляторы (какие надо будет использовать...)

купите лучше готовое изделие:
например вот это:
Автоадаптер-инвертор Gembird EG-PWC-002 12V->220V 300W стоит 108 тыс.

http://itmarket.shop.by/21/2844/7550/


а лучше посмотреть здесь:
http://www.dealextreme.com/search.dx/se ... 20Inverter

доставка почтой в беларусь бесплатная.

делать инвертер я не буду 100%, а впышку с питанием от 5-12 В думаю собрать. и уже придумал как


 
 15 ноя, 09 21:53
Сообщение  Автономные источники питания для студийных вспышек.
 
[Не в сети] Местный житель

Аватара пользователя

Сообщения: 582
Откуда: город ангелов...
Камера: 7-я слева

Профиль

понял

возник вопрос

что лучше всего использовать в качестве аккумуляторной батареи. которая выдает 12 вольт для инвертора?

первое о чем подумал - от автомобиля аккумулятор, но слишком тяжелый.... есть что-то более легкое, чтобы надолго хватало?

_________________
Павел Поташников
Почему вы думаете что я плохо вас сфотографирую?... Потому, что я уверен, за ту сумму которую я хочу вам заплатить, вы не сделаете хорошие фотографии!! :)


 
 15 ноя, 09 22:09
Сообщение  Автономные источники питания для студийных вспышек.
 
[Не в сети] Местный житель

Сообщения: 229
Откуда: Minsk

Профиль

можно литивые ОБЯЗАТЕЛЬНО С ЗАЩИТОЙ использовать. например батареи от буков.


 
 15 ноя, 09 22:20
Сообщение  Автономные источники питания для студийных вспышек.
 
[Не в сети] Модератор

Аватара пользователя

Сообщения: 1171
Откуда: Minsk
Камера: Sony 828, Canon 450D

Профиль

Strenger писал(а):
первое о чем подумал - от автомобиля аккумулятор, но слишком тяжелый.... есть что-то более легкое, чтобы надолго хватало?


По соотношению цена/вес/время авономной работы - АКБ от бесперебойника 12В 7Аh http://www.nix.ru/autocatalog/sven/sven ... _9137.html

Я использую два АКБ по 6 Вольт соединённые последовательно (на выходе имею 12). http://www.nix.ru/autocatalog/sven/sven ... 69881.html
Но шестивольтовики я брал потому, что именно задача вырабатывать 220 в полевых условиях уменя не основная, мне нужнен был именно 6-ти Вольтовый источник питания для накамерной вспышки Sony 32
6-ти вольтовики на радиорынке в Ждановичах стоят 21-24 тыс

Цитата:
делать инвертер я не буду 100%, а впышку с питанием от 5-12 В думаю собрать. и уже придумал как
Разумное решение.
Кстати, Павел, по тому преобразователю от плоских батареек.... К нему проще сделать вспышку Джоулей на 160, чем наоборот, делать преобразователь для вспышки. Хотя по цене деталей выходит с точностью до наоборот

_________________
Ищу зарплатодателя! Работодателей просьба не беспокоить.


 
 15 ноя, 09 23:05
Сообщение  Автономные источники питания для студийных вспышек.
 
[Не в сети] Модератор

Аватара пользователя

Сообщения: 1171
Откуда: Minsk
Камера: Sony 828, Canon 450D

Профиль

Решил, что разумнее будет в разных сообщениях
Alex Gorbatsevich писал(а):
упонянутые фальконы ( все ) и рекамы будут рабротать если преобразователь 12-220 будет давать на выходе переменное напряжение (надо чтобы было и положительное и отритцательно за период). в случае, если на выходе будет только к примерно поожительное от 0 до 220 в, то есть подозрение что заряжаться будет фалькон 110(150) до максимальной энергии. (тиристор не будет закрываться, потому что через него постоянно ток течь будет.)


на счет преобразователя: можно реально сделать чтобы вспышка заряжалась за 1-3 сек. ( потребляемая мощность 60-200Вт преобразователя.) сделать можно из копьютерного бп.


Алекс, есть только одно НО, и очень СУЩЕСТВЕННОЕ! Инвертор должен выдавать синусоиду, а не её подобие! Сам интересовался ЭТИМ вопросом, пытался понять природу, ПОЧЕМУ именно синусоида. Первым делом грешил на низкочастотные трансформаторы которые стоят в нкоторых вспышках по питанию, а оказалось, не в них весь ужас, а в накопительных конденсаторах, которые заряжаются по схемам умножения нарядения (двух полупериодный умножитель, состовляет исключеие)
Вот что мне ответил Андрей Осипов
Цитата:
>>Такой вот "вопрос на понимание", при питании студийных вспышек от бесперебойникв и инверторов, где вместо синусоиды, апроксимация...
Данное питание в ПЕРВУЮ очередь плохо для низкочастотных трансформаторов или всё же для умножителей напряжения и регуляторов напряжения, на подобии этой схемы?
Изображение
<!-- editby --><i>Это сообщение было отредактировано: Палыч из Минска, 14 Ноя, 2009 г. - 03:42</i><!-- end editby --><<Для всех.
Но трасформаторы еще могут это выдержать, а вот емкости - чаще всего "летят" от перегрева...


и ещё
http://osipoff.ru/modules.php?op=modloa ... 5&start=90

Цитата:
>>Изображение

Дело в том, что любая форма напряжения (тока) отличная от синусоиды разбивается на множество синусоид (гармоник) более высоких частот, кратных основной (2*50 Гц, 3*50 Гц ...100*50 Гц...) и одна из этих гармоник может создать резонансный контур из зарядных ёмкостей и индуктиности источника питания (например трансформатора) в результате чего напряжение на ёмкостях увеличивается в разы, что и приводит к их повреждению.<<Да, гармонические частоты там присутствуют, но резонанс "поймать" трудно, а зарядные емкости летят гораздо чаще... Дело не в резонансе.. В "квадратном" питании - действительно много более высоких частот.
Но питать обычные металлические трансформаторы "квадратом"- можно, не сильно греются, а вот емкости.....

Трансформатор R тр = x*(частота)
от повышенной частоты - УВЕЛИЧИВАЕТ свое СОПРОТИВЛЕНИЕ,
поэтому практически наоборот, разгружается от повышения частоты, если только нагреется немного за счет вихревых токов.
Мощность уменьшается в квадрате от частоты.


Емкость
от повышенной частоты - УМЕНЬШАЕТ свое СОПРОТИВЛЕНИЕ. Поэтому ток возрастает очень сильно. И емкость нагревается от увеличенния тока через нее. А так как зарядные электролиты и так греются на пределе - то такого дополнителльного увеличения - более чем достаточно .
Так как мощность (и тепло) увеличивается в квадрате от частоты...


P.S. Приведённый кусок схемы, это схема умножителя и зарядной цепи Falcon Eyes DE 300B

_________________
Ищу зарплатодателя! Работодателей просьба не беспокоить.


 
 15 ноя, 09 23:27
Сообщение  Автономные источники питания для студийных вспышек.
 
[Не в сети] Местный житель

Сообщения: 229
Откуда: Minsk

Профиль

Честно говоря, текст под второй схемой слабо понятен ( может кривое цитирования или что, но там одна часть не совсем совпадает по смыслу с другой.)..

или в этом фальконе нет токоограничительных резисторов?

если очень стремно, то поставте лампу 100Вт последовательно со вспышкой.. будет заряжаться дольше, но с емкостями 100% ничего не станет.


можно на тест взять мою схему зарядки с умножителем напряжения. проверить нагрев зарядных конденсаторов. при работе от сети конденсаторы совсем холодные, а вот токоограничительный резистор грееться.


 
 15 ноя, 09 23:49
Сообщение  Автономные источники питания для студийных вспышек.
 
[Не в сети] Модератор

Аватара пользователя

Сообщения: 1171
Откуда: Minsk
Камера: Sony 828, Canon 450D

Профиль

В Фальконе 300-ке точно нет токоограничительных резисторов.

Цитата:
можно на тест взять мою схему зарядки с умножителем напряжения. проверить нагрев зарядных конденсаторов. при работе от сети конденсаторы совсем холодные, а вот токоограничительный резистор грееться.

Умножение напряжения на сколько х2,х3 или х4?


Совственно кто хочет, на свой страх и риск, может рискнуть..
300Дж это 6 конденсаторов по 1000мкФ и стоят они по 13 тыс -350В (но эти всего лишь до 55 градусов) и 19 тыс - 400В. Цена естественно за штуку и без учёта работы

_________________
Ищу зарплатодателя! Работодателей просьба не беспокоить.


 
 16 ноя, 09 0:17
Сообщение  Автономные источники питания для студийных вспышек.
 
[Не в сети] Местный житель

Сообщения: 229
Откуда: Minsk

Профиль

Палыч писал(а):
Умножение напряжения на сколько х2,х3 или х4?


Совственно кто хочет, на свой страх и риск, может рискнуть..
300Дж это 6 конденсаторов по 1000мкФ и стоят они по 13 тыс -350В (но эти всего лишь до 55 градусов) и 19 тыс - 400В. Цена естественно за штуку и без учёта работы

у меня в 2 раза до 600В.. для зарядки конденсатора на 330. + еще на лпму дополнитель подается -300в для лучшего полжига

не стоит путать теплое с мягким: конденсаторы умножителя и накопительными конденсаторами это совсем разные вещи!


 
 16 ноя, 09 0:22
Сообщение  Автономные источники питания для студийных вспышек.
 
[Не в сети] Модератор

Аватара пользователя

Сообщения: 1171
Откуда: Minsk
Камера: Sony 828, Canon 450D

Профиль

Цитата:
не стоит путать теплое с мягким: конденсаторы умножителя и накопительными конденсаторами это совсем разные вещи!

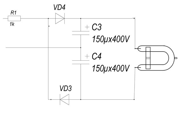
Но ведь есть схемы, где 2 в 1.
По поводу умножения на 2
Если схема такого плана, то она конечн будет работать с любыми инверторами, хоть спрямоугольниками, хоть спилой





.jpg [ 20.47 Кб | Просмотров: 499 ]

_________________
Ищу зарплатодателя! Работодателей просьба не беспокоить.
 
 16 ноя, 09 0:30
Сообщение  Автономные источники питания для студийных вспышек.
 
[Не в сети] Местный житель

Аватара пользователя

Сообщения: 458
Откуда: Варшава
Камера: Nikon\Pentax

Профиль

Мамин Йожик !

Ребята респект и уважуха ! Ну вот чесно ! *THUMBS UP* *THUMBS UP*

_________________
Усе мы мадэлі, ды не ўсе Мадэльяні. Адам Глобус


 
 24 ноя, 09 1:59
Сообщение  Автономные источники питания для студийных вспышек.
 
[Не в сети] Местный житель

Аватара пользователя

Сообщения: 1670
Откуда: Minsk
Камера: Pentax

Профиль

Палыч писал(а):
По поводу умножения на 2
Если схема такого плана, то она конечн будет работать с любыми инверторами, хоть спрямоугольниками, хоть спилой

А какой смысл умножения напряжения?
Для ламп, которые требуют 600 Вольт?


 
 24 ноя, 09 21:05
Сообщение  Автономные источники питания для студийных вспышек.
 
[Не в сети] Местный житель

Сообщения: 229
Откуда: Minsk

Профиль

MiK13 писал(а):
А какой смысл умножения напряжения?
Для ламп, которые требуют 600 Вольт?

умножение напряжения идет в цепи до накопительного конденсатора,(т.е. схема зарядки кондесатора питается 600В) а накопительный конденсатор заряжается до стандартных 330В.

1)ускоряется процесс заряда
2)в случае проседания напряжения в сети позволяет зарядиться конденсатору.

+ допольнительно на лампу заводиться -300В через мелкий конденсатор для уверенного поджига.


 
 24 ноя, 09 21:19
Сообщение  Автономные источники питания для студийных вспышек.
 
[Не в сети] Модератор

Аватара пользователя

Сообщения: 1171
Откуда: Minsk
Камера: Sony 828, Canon 450D

Профиль

Цитата:
А какой смысл умножения напряжения?
Для ламп, которые требуют 600 Вольт?

Действительно, есть лампы который от 300 Вольт работать не будут.. Но меня умножение напряжения интересует с другой позициии..Допустим есть вспышка, у которой стоит не один конденсатор, а два... Так вот, эти конденсаторы можно соединить ПАРАЛЛЕЛЬНО и заряжать их напряжением до 310 Вольт, а можно соединить ПОСЛЕДОВАТЕЛЬНО и заряжать напряжением до 620 Вольт.. В обеих случаях излучаемая энергия вспышкой будет практически одинаковой (теоритически во втором случае чуть больше). А вот ДЛИТЕЛЬНОСТЬ импульсаво втором случае будет КОРОЧЕ!

_________________
Ищу зарплатодателя! Работодателей просьба не беспокоить.


 
 24 ноя, 09 21:28
Показать сообщения за:  Поле сортировки  
Начать новую тему Ответить на тему  Автономные источники питания для студийных вспышек. На страницу 1, 2  След.

 


Кто сейчас на конференции

Сейчас этот форум просматривают: нет зарегистрированных пользователей и гости: 3


Вы не можете начинать темы
Вы не можете отвечать на сообщения
Вы не можете редактировать свои сообщения
Вы не можете удалять свои сообщения
Вы не можете добавлять вложения

cron
  



Форум Фотографов в Беларуси
© 2004 - 2021  
znyata.com
Scripts based on phpBB © phpBB Group

  


Фотограф