форум фотографов - разговоры о фото

Форум фотографов в Беларуси: forum.znyata.com
Смотрите также основной портал фотографов: znyata.com

 




Автор Сообщение
Сообщение  Синхронизатор для фотовспышек СССР.
 
[Не в сети] Молчун

Сообщения: 53

Профиль

Синхронизатор мною собран и опробован на фото-вспышке СЭФ-3, работает отлично.




Комментарий к файлу: синхронизатор
синхронизатор
.jpg [ 163.28 Кб | Просмотров: 668 ]
 
 30 сен, 12 1:50
Сообщение  Синхронизатор для фотовспышек СССР.
 
[Не в сети] Местный житель

Сообщения: 312
Откуда: Минск
Камера: Canon 5D MkII

Профиль

Настоящий олдскульные фотографы пользуются магниевыми вспышками, а не этими новомодными электрическими.


 
 30 сен, 12 8:54
Сообщение  Синхронизатор для фотовспышек СССР.
 
[Не в сети] Местный житель

Сообщения: 460
Откуда: Минская обл.
Камера: Д7000...

Профиль

Andrey110865, Ерунда ваш синхронизатор, требует источник питания 12 В...
Существует куча более простых, надёжных схем (для любителей самоделок).
Да и готовых синхронизаторов в продаже - навалом!

_________________
легче забить шуруп, чем завернуть гвоздь...


 
 30 сен, 12 10:17
Сообщение  Синхронизатор для фотовспышек СССР.
 
[Не в сети] Местный житель

Сообщения: 221
Откуда: Гомель
Камера: Canon 10D

Профиль

Может, схема и ерундовая, но у нее есть одно достоинство – она работает отлично (со слов автора темы). Знаю пару фотографов, которые снимают на документы подобным оборудованием, и очень неплохо снимают. Ведь, как известно, качество фото зависит не столько от самой техники, сколько от умелого её применения.
Здесь много информации по теме: http://www.osipoff.ru/


Последний раз редактировалось Tomer 30 сен, 12 11:54, всего редактировалось 1 раз.

 
 30 сен, 12 11:31
Сообщение  Синхронизатор для фотовспышек СССР.
 
[Не в сети] Молчун

Сообщения: 53

Профиль

Мне просто нужен был простой синхронизаор для именно этой вспышки, в интнрнете нашел много схем но не все из них подходили, нашел одну подходящую но она не срабатывала совершенно , вот и пришлось её переделать( с электроникой я на ты), а не захотел покупать т.к. нет желания переплачивать и вопрос подойдет ли ещё, поэтому и прибёг к этому решению.


 
 30 сен, 12 11:45
Сообщение  Синхронизатор для фотовспышек СССР.
 
[Не в сети] Молчун

Сообщения: 53

Профиль

Сегодня я доработал схему синхронизатора вспышки, теперь она срабатывает от - 3 Вольт ( применял батарею: CR123A 3V ) можно использовать другие не критично,( согласен с тем что блок питания 12вольт не очень удобно ), изменил номиналы резисторов R1 и R2= 220 Ком., убрал сопротивление R4, и заменил транзистор КТ3102Д, на транзистор КТ3117А.


 
 01 окт, 12 20:19
Сообщение  Синхронизатор для фотовспышек СССР.
 
[Не в сети] Молчун

Сообщения: 53

Профиль

Сегодня собрал фотовспышку вот по этой схеме (аналог СЭФ-3, только немного доработана), уменьшено сопротивление R1, диоды VD1,VD2 - заменены на КД226Д, трансформатор Т1 намотан следующим образом, на сердечник слой трансформаторной бумаги далее 1-я обмотка виток к витку 3-и слоя по 150 витков пэл-0,1мм., прокладка изоляции тр.бумагой между слоями так же поверх последнего слоя намотки, далее 2-я обмотка виток к витку 15 витков пэл-0,4мм., в процессе намотки чтоб витки не сползали фиксируем начало и конец слоёв намотки клеем "гель секунда", обе обмотки мотаются в одном направлении , точки на схеме под трансформатором означают "НАЧАЛО" обмоток. Собранная правильно схема начинает работать сразу, время заряда вспышки 1 - 1,5 секунду.





-3 доработка.jpg [ 80.8 Кб | Просмотров: 581 ]
 
 04 окт, 12 0:29
Сообщение  Синхронизатор для фотовспышек СССР.
 
[Не в сети] Местный житель

Сообщения: 221
Откуда: Гомель
Камера: Canon 10D

Профиль

Советские сетевые вспышки страдают неустойчивым запуском из-за осыпания серебристого напыления на лампе ИФК-120. Рекомендуется соскоблить скальпелем напыление и плотно обмотать лампу нихромовым проводом, как на фото (можно и медным, но он легко рвётся). Лудится нихром на таблетке аспирина. При установке не перепутать плюс с минусом лампы!





120vp5.jpg [ 60.53 Кб | Просмотров: 473 ]


2c751e7297ea.jpg [ 22.62 Кб | Просмотров: 7610 ]
 
 04 окт, 12 11:23
Сообщение  Синхронизатор для фотовспышек СССР.
 
[Не в сети] Молчун

Сообщения: 53

Профиль

Вот собрал вспышку по указанной схеме в корпус + синхронизатор.





синхронизатором.JPG [ 428.88 Кб | Просмотров: 563 ]
 
 05 окт, 12 22:24
Сообщение  Синхронизатор для фотовспышек СССР.
 
[Не в сети] Молчун

Сообщения: 53

Профиль

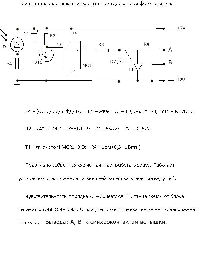
Синхронизатор по этой схеме.





.jpg [ 78.1 Кб | Просмотров: 683 ]
 
 05 окт, 12 22:39
Показать сообщения за:  Поле сортировки  
Начать новую тему Ответить на тему  Синхронизатор для фотовспышек СССР.

 


Кто сейчас на конференции

Сейчас этот форум просматривают: нет зарегистрированных пользователей и гости: 8


Вы не можете начинать темы
Вы не можете отвечать на сообщения
Вы не можете редактировать свои сообщения
Вы не можете удалять свои сообщения
Вы не можете добавлять вложения

cron
  



Форум Фотографов в Беларуси
© 2004 - 2021  
znyata.com
Scripts based on phpBB © phpBB Group

  


Фотограф